Technical Articles

技术文章

当前位置:首页  >  技术文章  >  FESTO/费斯托10型阀岛原理分析

FESTO/费斯托10型阀岛原理分析

更新时间:2023-07-26      点击次数:3226

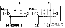
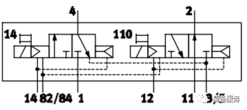
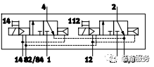
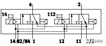
  费斯托FESTO阀岛是多个电磁阀的组合体,这几个电磁阀拥有同一个进气源,而输出端是各自独立的。每个阀通常都是常闭的,一旦得到电控信号,电磁阀将打开,送出气动信号,以驱动其他液压元件。每个电磁阀都有各自对应的指示灯,一旦电磁阀得电打开后,指示灯点亮。电磁阀电控信号一般是24V的。通常阀岛安装在钻台上的一个电磁阀控制盒内,控制合一般有接线端子、接线图、阀岛管线标牌、气路管线图等。
    每个电磁阀上有一个手动开关,可以手动打开电磁阀。这个功能主要用于初期调试和故障检修。手动打开后,电磁阀将不受电控信号控制而成直通状态。正常时应该将手动开关于自动位置,阀的开闭由电控信号控制。


1基本电气单元         2右端板,带消声器        3阀片

4右端板          5复合接头板    6快插接头      7左端板

8左,带消声器      9H型导轨     10墙面安装件

11带电缆插座

阀功能
代码符号说明
M

图片

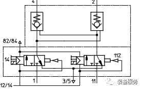
两位五通阀, 单电控
• 气复位
• 活塞滑阀
J

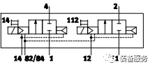
图片

两位五通阀,双电控
• 活塞滑阀
• 在断电状态时保持气动开关位置
C

图片

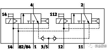
2x 两位三通阀, 单电控
 常闭
 气复位
 活塞滑阀
CY

图片

2x 两位三通阀, 单电控
 常闭
 气复位
 活塞滑阀
 集成背压保护
-H- 注意
如果有必要确保工作中发生突发压降或工作压力被关断时背压翻板被牢固闭合,
则阀岛必须采用外先导气源。
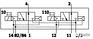
N

图片

2x 两位三通阀, 单电控
• 常开
• 气复位
• 活塞滑阀
• 中压式三位五通阀功能用常开位置的阀可以实现。
H

图片

2x 两位三通阀, 单电控
• 常态位置
1x 常开 (先导控制 12)
1x 常闭 (先导控制 14)
• 气复位
• 活塞滑阀
用于优化气缸运动。相当于同时驱动两个电磁线圈(两位五通,单电控)的阀功
能 M。因为每一侧的活塞面积可分开加压和泄压,这意味着气缸可更快速地
运动。


-

图片

5/3G1) 功能,中封式
阀功能 “中封式" 用一个 2x 两位三通阀, 常闭 (代码 C) 实现。
阀组件 CPV10-BS-5/3G-M7(集成一个双先导止回功能)用于此。该阀组件用于每
个阀片有一个工作压力的应用场合,如不得用于双压力应用场合(气口1和11的压
力水平不同)。
如果其他阀片用于双压力模式,配备5/3G 阀组件的阀片必须通过隔离板 (代码 T)
与气口 1和11隔离开。
第一个与最后一个阀位不能用复合接头板 P 和 M。不能配复合接头板 GQC 和
GQD。
• 活塞滑阀
-

图片

5/3E 功能,中泄式
阀功能 “中泄式" 用一个 2x 两位三通阀, 常闭 (代码 C). 实现。
• 气复位
• 活塞滑阀
-

图片

5/3B 功能,中压式
阀功能 “中压式" 用一个 2x 两位三通阀, 常开 (代码 N) 实现。
• 气复位
• 活塞滑阀
D

图片

2x 两位两通阀, 单电控
• 常闭
• 气复位
• 活塞滑阀
I

图片

2x 两位两通阀, 单电控
• 常态位置
– 1x 常开 (控制侧 12)
– 1x 常闭 (控制侧 14)
• 气复位
• 活塞滑阀

阀岛CPV型有三种手控装置:1、按钮式,通过滑片    2、锁定式    3、封盖式

阀岛 CPV10-EX-VI, 具有-M- 流量高达400 l/min

                                    -K- 阀宽10 mm

                                    -P- 电压24 V DC

代码图形符号注意事项
N

图片

“按钮式"手控装置上,通过锁定夹来固定蓝色滑片。用一个尖锐物体(如笔)可
通过小孔来激活手控装置。
R

图片

“锁定式"手控装置上,锁定夹已拆下,通过按下滑片来或手控装置。安装回锁定
夹可重新变成按钮式。
V

图片

“封盖式"手控装置上,通过一个盖子来防止实现锁定式或按钮式激活手控装置。
如同按钮式中的锁定夹,盖子可以后加,但是需要一直保持安装在阀上。



15001764191
欢迎您的咨询
我们将竭尽全力为您用心服务
459323129
关注微信
版权所有 © 2026 上海茂硕机械设备有限公司  备案号:沪ICP备18010475号-1